OVERVIEW
GoodProx high temperature limit switch GP-LMS-XWKA is an industrial-grade travel switch engineered for extreme high-temperature working environments. Made with heat-resistant materials and fully closed anti-oxidation contacts, this GP-LMS-XWKA industrial travel switch features a -40°C~+350°C operating range, IP66 dust/waterproof protection and 10A/250VAC rated current.
CE, RoHS and ISO9001 certified, it has superior anti-vibration, impact resistance and long service life, making it the ideal 350°C heat resistant switch for high-temp industrial equipment safety interlock and automation control.
FEATURES
- Extreme Temp Resistance: -40°C~+350°C stable operation for GP-LMS-XWKA high temperature limit switch.
- IP66 Protection: IEC dust/waterproof for harsh industrial environments IP66 waterproof limit switch.
- Anti-Oxidation Contacts: Sealed, special treatment for long high-temp use anti-oxidation limit switch.
- Electrical Specs: 10A/250VAC, 1 NO + 1 NC dual contact configuration.
- Anti-Vibration & Impact: 10~55Hz anti-vibration, >100G mechanical impact endurance.
- Long Service Life: >15M mechanical cycles, >0.5M electrical cycles.
- Low Contact Resistance: <15mΩ initial resistance for stable conductivity.
- High Withstand Voltage: 2200VAC between terminals and metal parts (1min).
SPECIFICATION
|
Model
|
GP-LMS-XWKA
|
|
Rated Current
|
10A /250VAC (Customizable, contact us)
|
|
Operating Speed
|
1mm-2m/s
|
|
Operating Frequency
|
Machinery:120times/minute
Electric: 30times/minute
|
|
Contect Resistance
|
<15 mΩ(mm) (initial stage)
|
|
Insulation Resistance
|
>100Ohm (<500VDC )
|
|
Withstand Voltage
|
No connection between terminals. 1000VAC50/60Hz lasts 1 minute
Between the terminal and the contact. 2200VAC50/60Hz lasts 1 minute
Between terminal and no-load current metal. 2200VAC50/60Hz lasts 1 minute
|
|
Vibration
|
Misoperation Endurance 10~55Hz,1.5mm double-amplitude
|
|
Impact
|
Mechanical Endurance >1,000m/S² (>100G)
Misoperation Endurance >300m/S² (>30G)
|
|
Temperature
|
-40°C~+350°C
|
|
Humidity
|
<95%RH
|
|
Working Life
|
Machinery: >15million times
Electric: >0.5million times
|
|
Protection Degree
|
IEC specification: IP66
|
|
Warranty
|
12 months
|
APPLICATIONS
- Metallurgy Industry: Steel/iron smelting high-temp machinery position sensing.
- Petrochemical Sector: Refinery/chemical plant high-temp pipeline equipment control.
- Power Industry: Boiler/turbine high-temp equipment safety interlock.
- Foundry Engineering: Casting workshop high-temp machine travel limit.
- Glass Manufacturing: Melting furnace high-temp equipment safety control.
- Heavy Machinery: High-temp working condition construction equipment control.
- Industrial Furnaces: Heat treatment furnace temperature equipment limit switch.

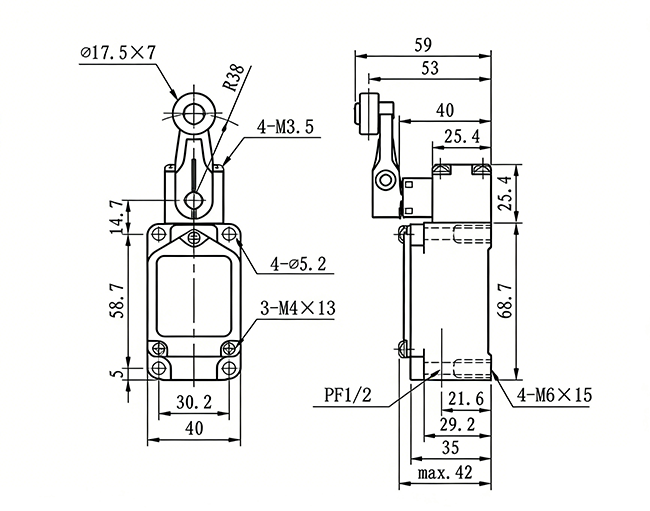
DIMENSIONS

CONTACT TYPE

USAGE NOTES
- Install GP-LMS-XWKA high temperature limit switch per NO/NC wiring diagram.
- Avoid mechanical collision to contacts for extended service life.
- Use high-temp insulation wires for wiring in extreme heat environments.
- Do not exceed 10A/250VAC rated current to prevent damage.
- Clean shell with dry cloth only—no corrosive cleaners (maintain IP66).
- Store in cool/dry place (-20°C~+50°C) when not in use.
- Regularly calibrate travel limit for accurate equipment control.
Why Choose GoodProx GP-LMS-XWKA?
✅ Ultra Heat Resistance: -40°C~+350°C range meets all high-temp industrial needs.
✅ IP66 Sealed Design: Reliable operation in dusty, wet and harsh industrial sites.
✅ Anti-Oxidation Contacts: No damage from high-temp oxidation, long service life.
✅ Industrial-Grade Durability: Anti-vibration/impact for heavy machinery use.
✅ Certified Quality: CE/RoHS/ISO9001, compliant with international standards.
✅ Flexible Wiring: NO/NC dual contacts for all industrial automation circuits.
✅ Stable Performance: Low contact resistance, high withstand voltage for safety.