OVERVIEW
GoodProx high temperature limit switch GP-LMS-XWKB is a heavy-duty industrial travel switch engineered for extreme high-temperature working environments. Crafted with heat-resistant materials and fully closed contact design, this industrial limit switch features a wide operating temperature range of -40°C~+350°C, IP66 waterproof/dustproof protection and 10A/250VAC rated current, delivering stable and reliable performance for equipment safety control.
Certified with CE, RoHS and ISO9001, it has excellent anti-vibration, impact resistance and long working life, high-temp machinery and heavy equipment safety systems.
FEATURES
- Extreme Temp Resistance: -40°C~+350°C working range for GP-LMS-XWKB high temperature limit switch.
- Fully Closed Contacts: Oxidation/pollution-proof, cast with high-temperature resistance materials.
- Electrical Specs: 10A/250VAC rated current, NO/NC dual contact configuration.
- IP66 Protection: Waterproof/dustproof per IEC, for harsh industrial environments IP66 waterproof limit switch.
- Anti-Vibration & Impact: 10~55Hz anti-vibration, >100G mechanical impact endurance.
- Long Working Life: >15 million mechanical cycles, >0.5 million electrical cycles.
- Low Contact Resistance: <15mΩ initial contact resistance for stable conductivity.
- High Withstand Voltage: 2200VAC between terminals and metal parts (1min).
SPECIFICATION
|
Model
|
GP-LMS-XWKB
|
|
Rated Current
|
10A /250VAC (Customizable, contact us)
|
|
Operating Speed
|
1mm-2m/s
|
|
Operating Frequency
|
Machinery:120times/minute Electric:30times/minute
|
|
Contect Resistance
|
<15 mΩ(mm) (initial stage)
|
|
Insulation Resistance
|
>100Ohm (<500VDC)
|
|
Withstand Voltage
|
No connection between terminals. 1000VAC50/60Hz lasts 1 minute
Between the terminal and the contact. 2200VAC50/60Hz lasts 1 minute
Between terminal and no-load current metal. 2200VAC50/60Hz lasts 1 minute
|
|
Vibration
|
Misoperation Endurance 10~55Hz,1.5mm double-amplitude
|
|
Impact
|
Mechanical Endurance>1,000m/S² (>100G)
Misoperation Endurance>300m/S² (>30G)
|
|
Temperature
|
-40°C~+350°C
|
|
Humidity
|
<95%RH
|
|
Working Life
|
Machinery:>15million times
Electric: >0.5million times
|
|
Protection Degree
|
IEC specification: IP66
|
|
Warranty
|
12 months
|
APPLICATIONS
- Industrial Automation: High-temperature production line equipment safety control.
- Metallurgy Industry: Steel/iron smelting high-temp machinery position sensing.
- Petrochemical Sector: Refinery/chemical plant high-temp pipeline equipment control.
- Foundry Engineering: Casting workshop high-temperature machine travel limit.
- Power Industry: Boiler/turbine high-temp equipment safety interlock.
- Glass Manufacturing: Glass melting furnace high-temp machinery position control.
- Heavy Machinery: High-temp working condition construction equipment limit switch.

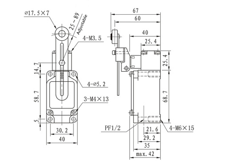
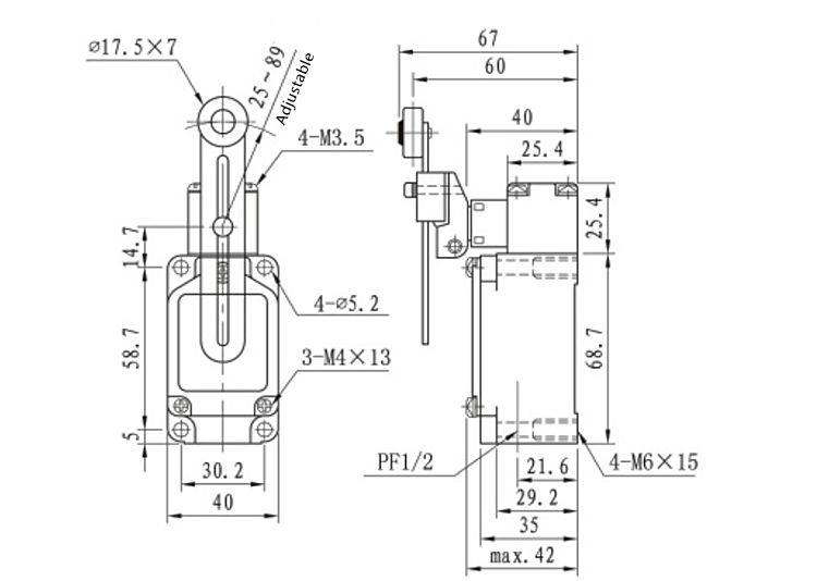
DIMENSIONS

CONTACT TYPE

USAGE NOTES
- Install the high temperature limit switch in line with equipment wiring diagrams (NO/NC).
- Avoid direct mechanical collision to the switch contact for long service life.
- Ensure proper insulation when wiring for high-temperature working conditions.
- Do not exceed the 10A/250VAC rated current to prevent damage.
- Clean the switch surface regularly (no corrosive cleaners) for IP66 waterproof limit switch performance.
- Store in a cool, dry place (-20°C~+50°C) when not in use.
- Calibrate the travel limit regularly for accurate equipment position control.
Why Choose GoodProx GP-LMS-XWKB?
✅ Extreme Heat Resistance: -40°C~+350°C range meets all high-temp industrial needs 350°C high temperature switch.
✅ IP66 Waterproof & Dustproof: Reliable operation in harsh, wet/dusty industrial environments.
✅ Ultra-Long Service Life: >15 million mechanical cycles for low maintenance cost.
✅ Stable Electrical Performance: Low contact resistance and high withstand voltage for safety.
✅ Certified Quality: CE, RoHS, ISO9001 certified industrial limit switch.
✅ Anti-Vibration & Impact: Suitable for heavy machinery and high-vibration working conditions.
✅ Dual NO/NC Contacts: Flexible for various industrial automation control circuits.