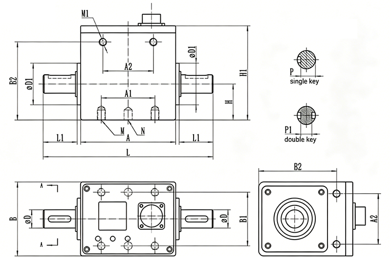
Dynamic Torque Sensor | 0.1-20000 Nm | Torque Measuring with LCD Display
- High-precision non-contact digital rotary torque sensor with LCD display.
- Measures torque, speed, power, supports ±5V/0-10V/4-20mA/RS485 output.
- For motor test, gearbox, engine, robot and industrial automation.












